PROTOKOL O PROVEDENÍ MĚŘENÍ

1. NÁZEV ÚLOHY
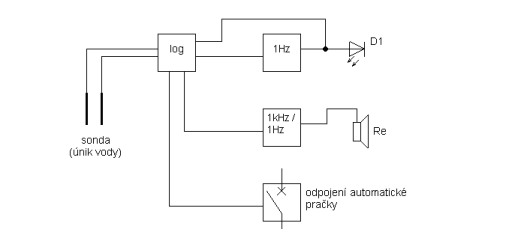
Signalizace a odpojení automatické pračky (AP) při úniku vody.

                                                                                                                                                                                                        
2. ZADÁNÍ

2.1. Navrhněte a realizujte logickou funkci  signalizace úniku vody (přetečení). Signalizace úniku vody bude akustická,  přerušovaná  S1 (1kHz / 1Hz)  a  zároveň        optická přerušovaná  (D1, 1 Hz). Zapojení  realizujte  pomocí  výukové  stavebnice DOMINOPUTER a programu RC 2000.

2.2. Vyřeste odpojení automatické pračky od přívodu napájecího napětí v případě úniku vody. Zapnutí zařízení a bezchybný stav signalizuje D1 trvalým svitem. 
                         

       

3. ÚKOL
3.1.  Analýzu platnosti  zapojení zpracujte a následně ověřte funkčnost v příslušném simulačním programu. 

3.2.  Nakreslete schéma zapojení v příslušném programu.
3.3.  Zpracujte všechny pravdivostní tabulky. 
3.4.  Proveďte praktická měření.
3.5.  Písemně zpracujte a barevně odlište časové průběhy logických funkcí.

4. PŘÍLOHY
5. POZNÁMKY
                                                                                                                                             Úvodní strana